✅ 지적사항
◦ 건설산업기본법 제22조 제7항, 같은 법 시행령 제25조 제1항 제9호, 제26조의2 제3항에 따르면 건설 공사 도급계약의 당사자는 건설업자가 의무적으로 부담하여야 하는 국민건강보험료 등(국민건강·국민연금 노인장기요양보험료)을 도급금액 산출내역서에 분명하게 적어야 하며 발주자는 건설업자가 보험료 등을 납부한 내역을 확인한 결과, 도급금액 산출내역서에 명시된 보험료 등이 실제로 지출된 보험료보다 많은 경우에는 그 초과금액을 정산할 수 있도록 되어 있고, 산업안전 보건법 제72조 제1항 및 건설업 산업안전보건관리비 계상 및 사용기준(노동부 고시) 제8조에 따르면 건설 업자는 다른 목적에 사용하거나 사용하지 않은 산업 안전보건관리비에 대하여 계약금액에서 감액 조정하도록 되어 있으며, 건설기술진흥법 제66조 제3항, 같은 법 시행규칙 제61조 제2항에 따르면 건설공사의 환경 관리에 필요한 비용은 그 사용실적에 따라 정산하도록 되어 있는데도,
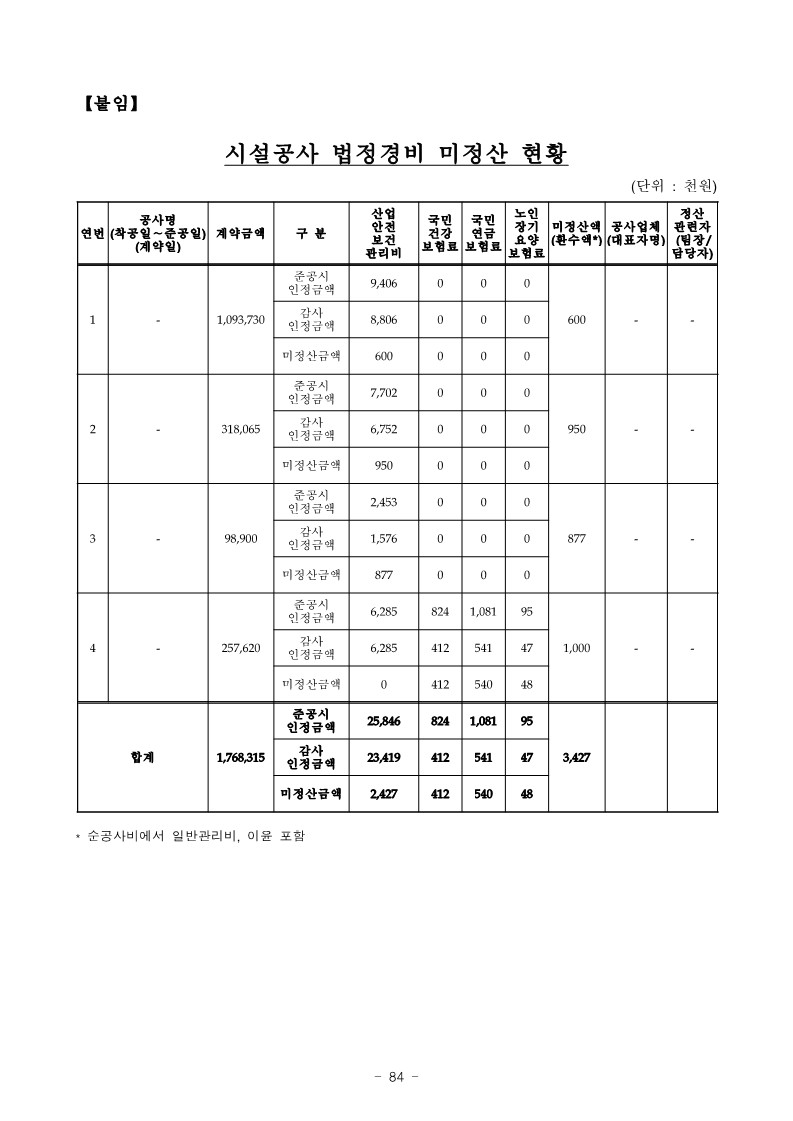
- 명지대학교는 2018. 10. 8. ◙◙와(과) 계약한 “ㅉ 공사 (계약금액 1,093,730천원, 공사기간 ‘18.10.15. ~ ’18.11.12.)”의 준공일(‘18. 11.12.)에 제출된 준공서류를 검토하면서 미사용한 산업안전보건관리비 600천원을 감액·정산 하지 않고 업체가 제출한 준공금액으로 확정하는 등 【붙임】“시설공사 법정경비 미정산 현황”과 같이 2018. 11.부터 2021. 2.까지 위 “ㅉ 공사” 등 총 4건(계약금액 합계 1,768,315천원)의 시설공사 준공서류를 검토하면서 미사용한 산업안전보건관리비 등 법정경비 합계 3,427천원을 감액·정산하지 않고 업체가 제출한 준공 금액으로 확정한 사실이 있음
✅ 처분결과
◦경고(2명)
◦주의(3명)
◦시정(회수)
- 감액·정산하지않은 산업안전보건관리비 등 합계 3,427천원을 시공업체(4개)로 부터 회수하여 관련회계에 세입 조치하기 바람



'명지대학교(2021 교육부)' 카테고리의 다른 글
| 시설공사 준공처리 부적정 (0) | 2023.09.26 |
|---|---|
| 물품관리 부적정 (0) | 2023.09.26 |
| 관할청 미신고 건축물 설치 (0) | 2023.09.26 |
| 시설공사 착공서류 미수령 (0) | 2023.09.22 |
| 출석기준 미충족자 성적부여 (0) | 2023.09.22 |