✅ 지적사항
◦ 학교법인연세대학교정관 제84조에는 사무직원의 신규 임용은 임용권자가 공개 채용, 전형 등에 의하여 행함을 원칙으로 하고 부속병원을 포함한 대학교의 사무직원은 총장의 제청으로 이사장이 임용한다고 되어 있는데도,
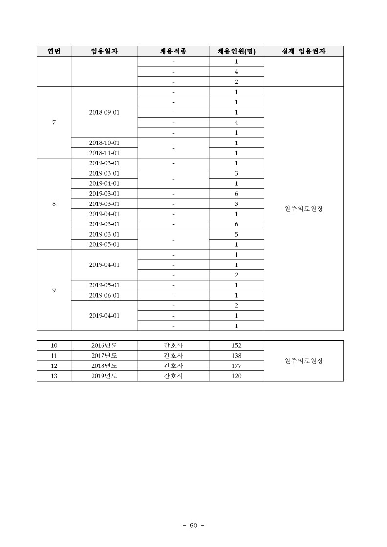
- 연세대학교는 2016. 9. 1. 사무직원(행정) 10명을 채용 하면서 이사장에게 제청하지 않고 총장이 임용하는 등 【붙임】“연세대학교 등 직원 채용 및 신규임용 현황”과 같이 2016. 3. 1.부터 2019. 6월 까지 121회에 걸쳐 3,711명의 신규직원을 임용하면서 이사장에게 제청 하지 않고 연세대학교 총장, 원주부총장, 의료원장 (의무부총장) 및 원주의료원장이 각각 임용한 사실이 있음.
✅ 처분결과
◦ 기관경고






'연세대학교(2019 교육부)' 카테고리의 다른 글
| 범죄처분결과 통보사건 처리 부적정 (0) | 2023.09.15 |
|---|---|
| 未허가 사외이사 겸직 (0) | 2023.09.15 |
| 계약직 인사위원회 운영 부적정 (0) | 2023.09.15 |
| 정규직채용 서류심사 부적정 (0) | 2023.09.15 |
| 사무원 채용 서류전형시 군 경력 가산점 부여 (0) | 2023.09.15 |