✅ 지적사항
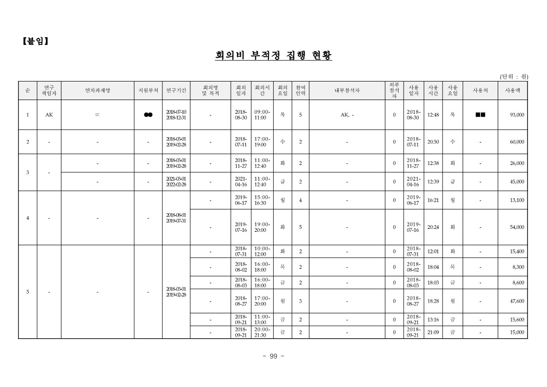
◦「국가연구개발사업 및 학술지원사업 연구비관리 매뉴얼」 “연구과제추진비 사용방법”에 따르면 연구책임자는 회의비 집행 시 일시, 장소, 참석자, 회의목적 및 내용 등이 명시된 회의록을 작성하고 관련 증빙자료를 첨부 하여 연구비를 신청하여야 하며, 외부기관 참석자 없이 단일기관 내부직원(내부 참여연구원 포함) 간 회의비로 집행은 불인정한다고 되어있는데도,
- 서울대학교 AK는 2018. 8. 30. “ㄸ(지원기관: ●●, 연구비 50백만원, 연구기간: 2018. 7. 10. ~2018. 12. 31)” 과제를 수행 하면서 2018. 8. 30. ‘■■’에서 내부연구원만으로 식사 후 식대 93,000원을 회의비로 연구비 법인카드를 사용 하는 등 【붙임】“회의비 부적정 집행 현황”과 같이 2018. 8월부터 2021. 10월 감사일 현재까지 AK 등 29명은 국가연구개발과제를 수행하면서 내부연구원 들과 회의 후 내부직원 식대를 회의비로 연구비 법인 카드 49건, 합계 2,878,580원을 사용한 사실이 있음.
✅ 처분결과
◦ 주의(29명)
◦ 시정(회수)
- 부적정하게 집행된 회의비2,878,580원을 각연구책임자에게 회수하고관련규정에 따라조치하시기바람
<별도조치>
◦통보






'서울대학교(2021 교육부)' 카테고리의 다른 글
| 연구개발능률성과급 집행 등 부적정 (1) | 2023.09.21 |
|---|---|
| 학생연구원 인건비 일괄 관리 등 연구비 부당 집행 (0) | 2023.09.21 |
| 연구책임자 가족의 연구과제 참여 미신고 (0) | 2023.09.21 |
| ▣ 도록 허위 간행 부당 (0) | 2023.09.21 |
| 업무추진비 집행기준 마련 미비 등 (0) | 2023.09.21 |