✅ 지적사항
◦ 산업교육진흥 및 산학연협력촉진에 관한 법률 시행령 제27조에 따르면 산학협력단의 회계처리는 신뢰할 수 있도록 객관적인 자료와 증거에 따라 공정하게 처리 하여야 하고, 사회맞춤형 산학협력 선도대학(LINC+) 육성사업 사업비 관리 운영 지침(교육부 및 한국연구재단) 에는 공정·투명하게 사업비를 집행하도록 되어 있으며 명지대학교 LINC+사업단 운영 규정 제2조, 제4조 및 제7조에 따르면 LINC+사업은 총장 직속기구로 LINC+ 사업추진위원회(이하 “사업추진위원회”) 및 LINC+사업단 (이하 “사업단”)을 구성하고, 사업추진위원회는 LINC+ 사업이 효과적으로 추진될 수 있도록 제도적·행정적 지원을 위해 운영하는 사업 총괄조직이며, 사업추진 위원회의 위원장은 부총장, 부위원장은 공과대학장으로 하고, 기획조정실장, 교육지원처장, 자연캠퍼스 학생 경력개발처장, 산학협력단장, LINC+사업단장을 당연직 위원으로 하여 LINC+사업 성과평가에 관한 사항, 기타 LINC+사업운영에 관한 제반사항을 심의·의결하도록 되어 있는데도,
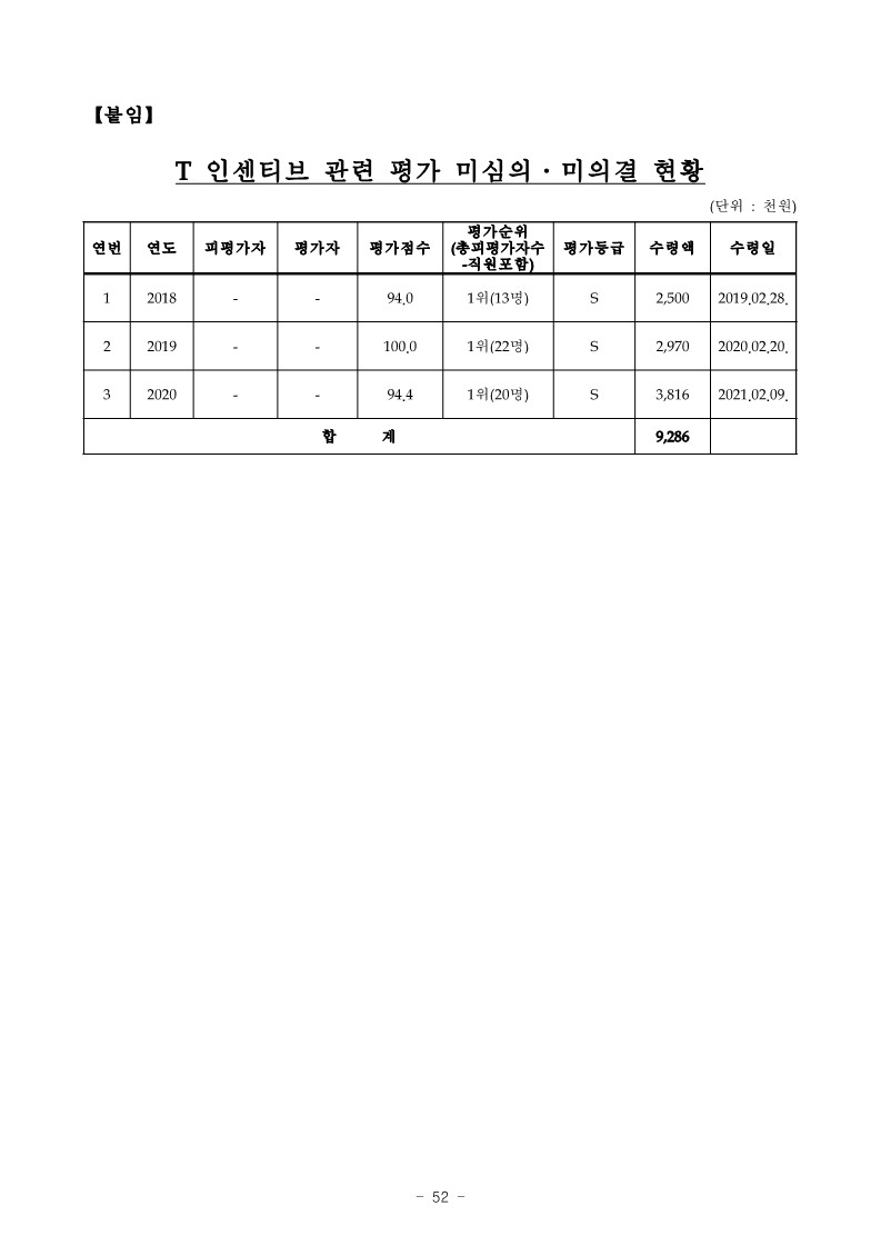
- 명지대학교 T은(는) 2019. 2. 1. 본인에 대하여 평가 점수 ‘94점’, 평가등급 ‘S(최고등급)’를 부여한 후 사업 추진위원회 심의·의결도 거치지 않는 등【붙임】“T 인센티브 관련 평가 미심의․미의결 현황”과 같이 2019. 2.부터 2021. 2.까지 위 T은(는) LINC+ 육성사 업을 수행하면서 총 3회에 걸쳐 본인에 대하여 평가 등급 ‘S’를 부여한 후 사업추진위원회 심의·의결도 거치지 않은 사실이 있음
✅ 처분결과
◦경고(1명)
<별도조치>
◦통보(관련기관)
- 본인이 본인을 평가하여 인센 티브를 지급한 사례를 통보하니 업무에 참고하시기 바람


'명지대학교(2021 교육부)' 카테고리의 다른 글
| 외국인 학생 학적관리 부적정 (0) | 2023.09.22 |
|---|---|
| 전문가 자문료 집행 부당 (0) | 2023.09.22 |
| 현장실습 점검 미실시 (0) | 2023.09.22 |
| 타인 학위논문 활용 교내연구비 부당 수령 (0) | 2023.09.22 |
| 교내연구 수행 부적정 (0) | 2023.09.22 |