✅ 지적사항
◦ 국립대학법인 서울대학교 설립·운영에 관한 법률 시행령 제12조에 의하여 준용하도록 되어 있는 공유재산 및 물품 관리법 제69조, 제70조에 따르면 물품은 언제든지 사용하거나 처분할 수 있도록 선량한 관리자의 주의 로써 해당 시설에 보관하여야 하고, 물품출납공무원은 출납명령 없이는 물품을 출납할 수 없으며, 서울대학교 물품관리규정 제15조 및 제22조에 따르면 교육·연구 및 학술 활동, 수선 등의 사유로 부득이하게 교외로 반출한 경우를 제외하고는 물품의 교외반출은 원칙적 으로 금지하고 있고, 물품운용원은 물품의 도난, 파손 및 망실이 발견되었을 경우 즉시 사유를 기입한 경위 서를 작성하여 분임물품관리원에게 보고하여야 하며, 물품의 사용자 및 관리를 담당하는 교직원이 고의 또는 중대한 과실로 물품의 도난, 파손 및 망실을 초래한 경우 그 정도에 따라 각각 변상의 책임이 있으며, 서울대학교 산학협력단 연구물품 중앙관리지침 제21조, 제23조, 제26조에 따르면 분임물품관리원은 소속기관의 물품을 산학협력단장의 승인을 얻지 아니하고는 외부에 양도, 매각 또는 대여할 수 없고, 물품의 도난, 무단반출, 망실 또는 파손이 연구책임자 또는 연구참여자의 과실에 의하여 발생한 경우 해당 연구책임자 또는 연구참여 자는 그와 동일하거나 동등 이상의 물품으로 변상해야 하며, 산학협력단장이 연구비로 구매한 물품은 연구 책임자가 물품운용원에게 반출·이관·관리 전환 신청서 및 반입 확약서를 제출하고 관리기관장을 경유하여 산학협력단장에게 제출하여 반출할 수 있는데도,
- 서울대학교 AR은 연구비로 구입한 ㄱㄹ(취득가액 3,700,000원) 1대를 일자 미상일에 분실하고도 변상하지 않는 등 【붙임1】“물품 분·망실 현황”과 같이 위 AR 등 물품관리자 32명은 노트북 등 연구비 등으로 구입한 물품 58점(취득가액 201,933,020원)을 분실 또는 망실하고도 변상 등 조치를 하지 않은 사실이 있음.
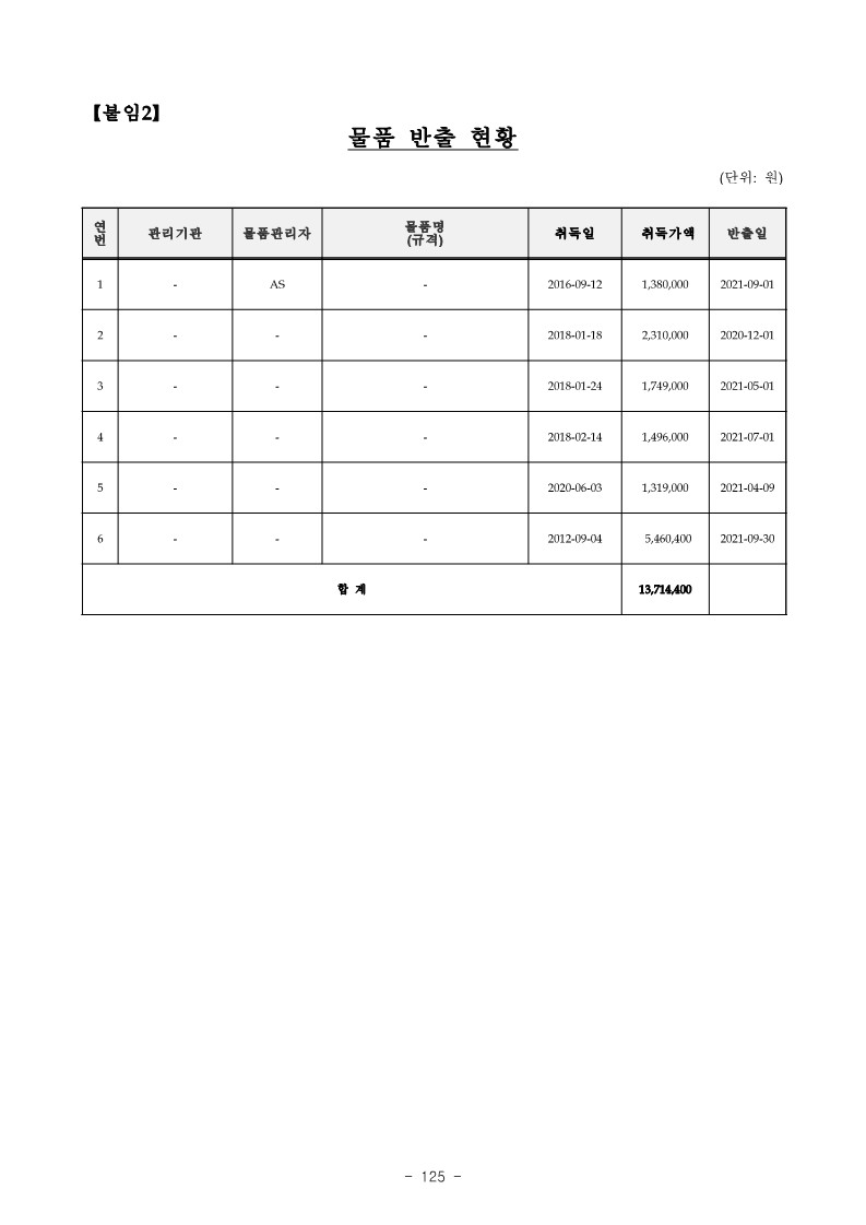
- 또한, AS은 2021. 9. 1. “ㄱㅁ(취득가액 : 1,380,000원) 1대를 소정의 절차 없이 반출한 후 2021. 10. 감사일 현재 까지 사용하는 등 【붙임2】”물품 반출 현황“과 같이 위 AS 등 물품관리자 6명은 2020. 12.부터 2021. 10. 감사일 현재까지 연구비 등으로 구입한 물품 총 6점 (취득가액 13,714,400원)을 소정의 절차 없이 반출하여 사용한 사실이 있음.
✅ 처분결과
◦경고(12명)
◦주의(26명)
◦통보
- 분실 또는 망실한 자에 대해서는 관련규정에따라 조치하기 바람





'서울대학교(2021 교육부)' 카테고리의 다른 글
| 사적 이해관계 미신고 (0) | 2023.09.25 |
|---|---|
| 기술지주 자회사의 다른 자회사 주식 취득 부적정 (0) | 2023.09.25 |
| 연구비 중앙관리 미실시 (0) | 2023.09.21 |
| 연구비 미반납 부적정 (0) | 2023.09.21 |
| 연구비 대납비용 회수조치 등 미실시 (0) | 2023.09.21 |