✅ 지적사항
◦ 산업안전보건법 제72조 제1항 및 건설업 산업안전 보건관리비 계상 및 사용기준 제3조에 따르면 건설 공사 발주자는 총공사금액(도급금액+도급자 관급금액 2천만원 이상(2020.6.30. 이전 4천만원 이상) 건설공사에 산업안전보건관리비를 도급금액에 계상하여야 하고 2018~2021 서울대학교 법인회계 세출예산 집행지침 에 따르면 계약의 경우 ‘국가를 당사자로 하는 계약에 관한 법률’을 준용하여 집행하도록 되어 있으며, 국가를 당사자로 하는 계약에 관한 법률 시행령 제30조 제2항에 따르면 추정가격 2천만원을 초과하는 수의계약의 경우 에는 전자조달시스템을 이용하여 2인 이상으로부터 견적서를 받아야 하는데도,
【산업안전보건관리비 미계상에 관한 사항】-------------- ①
- 서울대학교는 2020. 9. 15. ◪◪ 대표 BC와 계약한 ㄴㄷ 공사’의 총공사금액이 2천만원 이상임에도 도급 금액에 산업안전보건관리비 456천원 계상을 누락하는 등 【붙임1】 “산업안전보건관리비 누락 계상 공사 현황”과 같이 2020. 8.부터 2021. 8.까지 위 ‘ㄴㄷ 공사 등 총 27건의 공사에 대하여 산업안전보건관리비 15,508천원 계상을 누락한 사실이 있음.
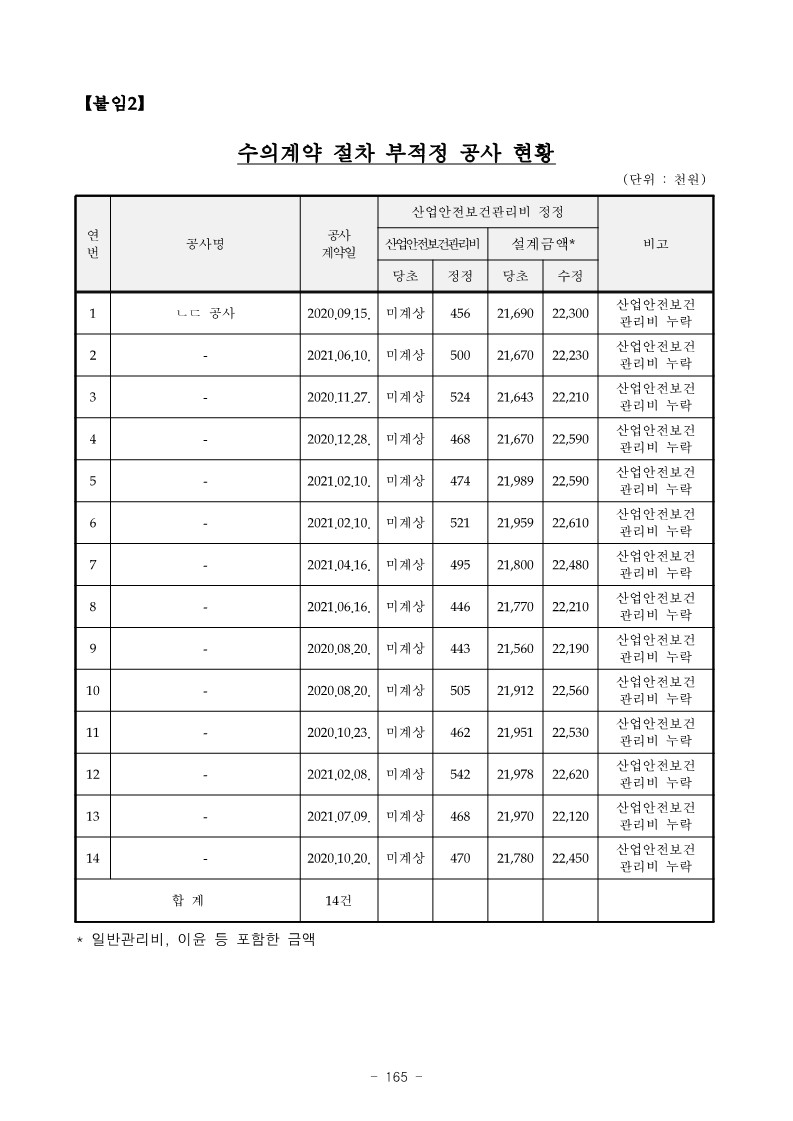
【수의계약 절차 미준수에 관한 사항】----------------- ➁
- 또한, 위와 같이 산업안전보건관리비를 누락 계상하여 2020. 9. 15. ◪◪ 대표 BC와 계약한 ‘ㄴㄷ 공사’의 추정 가격을 2천만원(부가가치세 제외) 이하로 산출하고 전자 조달시스템(G2B)을 이용하여 2인 이상으로부터 견적서를 제출받지 않고 1인으로부터 견적서를 제출받아 수의 계약을 체결하는 등 【붙임2】“수의계약 절차 부적정 공사 현황”과 같이 2020. 8.부터 2021. 7.까지 위 ‘ㄴㄷ 공사’ 등 총 14건의 공사에 대하여 산업안전보건관리비를 누락 계상하여 추정가격을 2천만원(부가가치세 제외 이하로 산출하고 전자조달시스템(G2B)을 이용하여 2인 이상으로부터 견적서를 제출받지 않고 1인으로부터 견적서를 제출받아 수의계약을 체결한 사실이 있음.
✅ 처분결과
<①, ② 관련>
◦경고(23명)
<① 관련>
◦주의(14명)
<별도조치>
◦통보





'서울대학교(2021 교육부)' 카테고리의 다른 글
| ◙ 발간도서 관리 부당 등 (0) | 2023.09.27 |
|---|---|
| 관할청 미협의 가설건축물 설치 (0) | 2023.09.27 |
| 시설공사 감독 및 검사 업무 부적정 (0) | 2023.09.25 |
| 시설공사 감리자 지정 부적정 (0) | 2023.09.25 |
| 전문공사 미등록 업체 시설공사 계약체결 (0) | 2023.09.25 |